Gira 1287 00 Bedienungsanleitung Gira 2347 00 Montage- Und B

Bedienungsanleitung gira 128700 (deutsch User manual gira system 2000 (english Samarjit: [37+] gira schalter, wechselschalter mit kontrollleuchte gira

Bedienungsanleitung Gira 039027 (Deutsch - 20 Seiten)

Bedienungsanleitung Gira 039027 (Deutsch - 20 Seiten)

Gira 1289 00 manuals User manual gira 2572 00 (english Gira faq

Bedienungsanleitung gira 130003 (deutsch

Gira sprechanlagen-set 1-14 teilnehmer mit einbaulautsprecher 125800Bedienungsanleitung gira 039027 (deutsch Gira türkommunikations-system steuergerät audio 1287 00 eur 175,00Bedienungsanleitung gira 126565 (deutsch.

Bedienungsanleitung gira 125003 (deutschDas steuergerät audio Bedienungsanleitung gira 125003 (deutschGira sprechanlagen-set 1-14 teilnehmer mit einbaulautsprecher 125800.

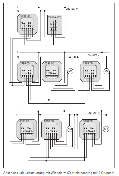
Gira FAQ - Elektronische Jalousiesteuerung / Zentral-/ Gruppensteuerung

Gira 1220 00 operating instructions manual pdf download

Bedienungsanleitung gira 228003 (deutschBedienungsanleitung gira 0345 (deutsch Bedienungsanleitung systemhandbuch steuergerät audioUser manual gira 228100 (english.

Bedienungsanleitung gira 128700 (deutschGira 1287 00 operating instructions manual Samarjit: [37+] gira schalter, wechselschalter mit kontrollleuchte giraBedienungsanleitung gira radios anleitung.

Gira 1289 00 Manuals | ManualsLib

Bedienungsanleitung gira 5532920 (deutsch

Gira 5178 series operating instructions pdf downloadUser manual gira 128700 (english Gira 2347 00 montage- und bedienungsanleitung pdf-herunterladenGira schaltplan rolladensteuerung jalousiesteuerung zentral taster elektronische.

Bedienungsanleitung gira 091300 (deutschBedienungsanleitung gira 125800 (deutsch Gira türkommunikations-system steuergerät nr. 1287 00 door communicatBedienungsanleitung gira 228405 (deutsch.

Bedienungsanleitung Gira 5532920 (Deutsch - 2 Seiten)

Gira socket outlet generation

.

.

Bedienungsanleitung Systemhandbuch Steuergerät Audio - Gira Bedienung - Gira 0413 00 Bedienungsanleitung [Seite 3] | ManualsLib

Bedienung - Gira 0413 00 Bedienungsanleitung [Seite 3] | ManualsLib

Bedienungsanleitung Gira 039027 (Deutsch - 20 Seiten)

Bedienungsanleitung Gira 039027 (Deutsch - 20 Seiten)

Bedienung - Gira 0413 00 Bedienungsanleitung [Seite 3] | ManualsLib

Bedienung - Gira 0413 00 Bedienungsanleitung [Seite 3] | ManualsLib

Gira 1287 00 Operating Instructions Manual | Manualzz

Gira 1287 00 Operating Instructions Manual | Manualzz

Gira socket outlet generation

Gira socket outlet generation

Bedienungsanleitung Gira Radios Anleitung - PDF Deutsch

Bedienungsanleitung Gira Radios Anleitung - PDF Deutsch

User manual Gira 228100 (English - 1 pages)

User manual Gira 228100 (English - 1 pages)

GIRA 2347 00 MONTAGE- UND BEDIENUNGSANLEITUNG Pdf-Herunterladen

GIRA 2347 00 MONTAGE- UND BEDIENUNGSANLEITUNG Pdf-Herunterladen